9-04 Polovodiče
Polovodič je pevná látka, jejíž elektrická vodivost závisí na vnějších nebo vnitřních podmínkách.
Vodivost vyvolaná změnou:
a) vnějších podmínek > dodáním jiného druhu energie (tepelné, elektrické nebo světelné) dojde ke změně vodivosti látky.
b) vnitřních podmínek > dodáním příměsi cizího prvku se změní elek. vodivost látky.
Při výrobě polovodičů se nejčastěji využívají látky křemík nebo germánium.
PN přechod
Polovodič typu P: obsahuje volné kladné náboje, tzv. díry (děrová vodivost)
Polovodič typu N: obsahuje volné záporné náboje, elektrony (elektronová vodivost)
Vytvořením P a N vrstvy na jednom krystalu vzniká PN přechod, který má tu vlastnost, že propouští proud jen jedním směrem.
Stavy v PN přechodu
 |
Vznik hradlové vrstvy. Polovodič bez napětí, na PN přechodu se vytvoří vrstva (hradlo) bez elektrického náboje. |
 |
Polovodič zapojený v závěrném (nevodivém) směru. Volné náboje se přesunou k opačným pólům a na PN přechodu se vytvoří vrstva s velkým odporem. |
 |
Polovodič zapojený v propustném (vodivém) směru, záporná elektroda přitahuje +díry a kladná elektroda -volné elektrony. Odpor PN vrstvy je malý a proud prochází polovodičem. |
Praktické využití
Nejběžnější elektrotechnické součásky využívající PN přechod jsou dioda a tranzistor.
Dioda
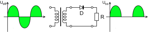
Dioda je elek. vodivá v jednom směru (obsahuje jeden PN přechod).Této vlastnosti se využívá k usměrnění střídavého proudu na stejnosměrný.
|
Schéma jednocestného usměrňovače |
 |
Úkol: Nauč se popsat funkci jednocestného usměrňovače, použij výrazy: střídavé napětí, stejnosměrné napětí, transformátor, dioda, kladné napětí, záporné napětí, proud, propustný směr, závěrný směr.
- - - - - konec zápisu - - - - -
Obrázky k diodám
 |
 |
 |
Úkol pro zvídavé: zjisti, co znamená stříbrný proužek na diodě (obrázek vlevo). |